S|C B2003 Meets Leslie Studio 12
S|C B2003 Meets Leslie Studio 12
http://api.viglink.com/api/click?format ... 2889898902
I will be demo'ing this puppy next week when SN Music, which incredibly, is also an authorized Service Center, gets their first Leslie Studio 12.
I have a great sound for old ELP, Uriah Heep, Deep Purple Steppenwolf, etc. But what I am missing is the True Overdriven sound that doesn't bury the drawbars like Digital Distortion does.
I have had the Dynacord 1U, Hughes and Kettner, Neo Ventilator and all of them were OK but Digital Overdriven Tube emulations just don't allow the detailed drawbar swells I love to use.
Besides, B3 Organs must be felt, the SPLs must be thrown around.
Luckily we have the B2003 which still does a fine B3 once you know it's minor inconsistantcies.
I will be demo'ing this puppy next week when SN Music, which incredibly, is also an authorized Service Center, gets their first Leslie Studio 12.
I have a great sound for old ELP, Uriah Heep, Deep Purple Steppenwolf, etc. But what I am missing is the True Overdriven sound that doesn't bury the drawbars like Digital Distortion does.
I have had the Dynacord 1U, Hughes and Kettner, Neo Ventilator and all of them were OK but Digital Overdriven Tube emulations just don't allow the detailed drawbar swells I love to use.
Besides, B3 Organs must be felt, the SPLs must be thrown around.
Luckily we have the B2003 which still does a fine B3 once you know it's minor inconsistantcies.
Re: S|C B2003 Meets Leslie Studio 12
Good to see the history of Leslie video as a follow up to the old Hammond factory vid.
- Bud Weiser
- Posts: 2935
- Joined: Tue Sep 14, 2010 5:29 am
- Location: nowhere land
Re: S|C B2003 Meets Leslie Studio 12
I have Leslie 12 in the focus too even it´s power amp is solid state.dawman wrote: ...Leslie Studio 12.
Luckily we have the B2003 which still does a fine B3 once you know it's minor inconsistantcies.
But I´ve learned, the real tube sound doesn´t come only from the/a tube pre amp but also from overdriven tube power amp.
Here´s what Keyboardpartner did for real Leslies using a solid state power amp like the tolex Leslie 760 and similar.
http://www.keyboardpartner.de/hammond/lesliemods.htm
I´ve heard that in a combo of a friend´s Hammond M100 w/ solid state Leslie 760 and it sounds amazing !
Scrolling down the site, you find the solution for 1HU Dynacord CLS222 which also will work for the 223/300 models which offer much more MIDI adjustment, editing and MIDI control.
I have an old Chandler 1HU Tubedriver I use as the preamp and it works good, but the overdriven power amp was missing always.
In the Dynacord DLS I´m able to switch digital distortion to OFF and adjust lots of parameters like EQ, ramp up/down times, rotor balance and such, then store to a preset and remotely control over MIDI,- not possible w/ CLS222 which I owned too.
Now I hope I can get or find a MIG LRS to do the experiment because I lost a ebay auction some time ago.
I think it would make a cool 2HU solution of a tube-pre, tube pwr amp sim together w/ rotating spkr sim for B2003.
Bud
Re: S|C B2003 Meets Leslie Studio 12
What a cool mod site.
But I had a 122 and it didn't sound like the 147 which was Tubes and SpringVerb, it had a nice sound but that Highway Star B3 tone came from the 147.
The 122 had more of a Boston Mosfed thing, but I'd settle for either of them.
I'd love to save 1500 USD but if the Leslie 12 gets that tone I crave, they'll get my cash.
I'd love to hear some of your b2003 Tube stuff sometime, you definately are from the same era I was as we are happy about so much progress in Keys and PCs, but actually KNOW what things sounded like from certain eras as we own, or owned much of it.
Cheers
But I had a 122 and it didn't sound like the 147 which was Tubes and SpringVerb, it had a nice sound but that Highway Star B3 tone came from the 147.
The 122 had more of a Boston Mosfed thing, but I'd settle for either of them.
I'd love to save 1500 USD but if the Leslie 12 gets that tone I crave, they'll get my cash.
I'd love to hear some of your b2003 Tube stuff sometime, you definately are from the same era I was as we are happy about so much progress in Keys and PCs, but actually KNOW what things sounded like from certain eras as we own, or owned much of it.
Cheers
- Bud Weiser
- Posts: 2935
- Joined: Tue Sep 14, 2010 5:29 am
- Location: nowhere land
Re: S|C B2003 Meets Leslie Studio 12
Are you sure Jon Lord played stock Leslies at that time ?dawman wrote:What a cool mod site.
But I had a 122 and it didn't sound like the 147 which was Tubes and SpringVerb, it had a nice sound but that Highway Star B3 tone came from the 147.
The 122 had more of a Boston Mosfed thing, but I'd settle for either of them.
Even in the very old vids I see Leslies and Marshall cabs (w/ a Mid/HF horn) in his backline.
He probably mixed Leslie and direct Hammond into Marshall stuff and there was the Maestro ringmodulator too.
He also used modded Leslies very early,- original tweeters replaced by JBLs and the 15" Jensen woofers replaced by Gauss as also the low wattage original Leslie tube amps were replaced too by whatever power amps.
B.t.w.,- the Dynacord DLS223 and 300 (mine is a software/hardware to DLS300 upgraded DLS223) mimiks characteristics of Leslie 122, 147 (and the CLS222).
It has 3 preset memories for these which can be edited and overwritten by the user and the "room" parameter is nothing else than mimiking the volume of the cabinet and reflections.
There´s a lot of BS written in the web about the "Leslie Clones" and the DLS300 alone sounds definitely better than the "double Leslie" in my Kurzweil PC361 which also eats up all the FX ressources of the PC3 engine.
Now we could nitpick about NEO Ventilator,- but I think, in a live scenario it doesn´t matter and the Vent isn´t rackmount as also you cannot control and edit it over MIDI when mounted on a shelf in a rack.
Yep, if it´s great, it is and than it´s worth the cash.dawman wrote: I'd love to save 1500 USD but if the Leslie 12 gets that tone I crave, they'll get my cash.
In think it´s not much smaller and much more lightweight than a Leslie 145, isn´t it ?
In fact,- that might hold me back, just because of my f***in´ hip joint and back issues.
In the past I didn´t care on cash and bulkyness,- all was well payed and there were my roadies, but it´s over since many years now.
Today, schlepping gear from 1 room to the other only in my house is a pain already.
Well, you will sooner or later.dawman wrote: I'd love to hear some of your b2003 Tube stuff sometime, you definately are from the same era I was as we are happy about so much progress in Keys and PCs, but actually KNOW what things sounded like from certain eras as we own, or owned much of it.
Cheers
I had a lot of other tasks to manage the last year and up to now,- not all is finished or over.
But since yesterday,- my DAW is up and running again after replacement of 3 drives and swapping all the content from old drives over to the new ones.
But, I organized (the larger) drives different now and not all apps find the content,- so I have to rescan w/ Kontakt and others.
I also had to update tons of plugins and applications incl. all the re-authorisations and re-activations of commercial software just only because the hardware code of my machine changed for several times during that work.
Really cumbersome stuff,- but SCOPE 5.1 and XITE-1 run well again.
Unfortunately, I lost a lot of projects when harddrives crashed and I only had backups of the SCOPE projects but not these from Reaper, Reason and Studio One which were definitely gone.
Mid next week I´ll back at that point I was in april last year ...
But then, I´ll buy Modular IV upgrade and if I can get it,- this little MIG LRC board for the Dynacord DLS.
If I get it and it´s build in,- I´ll do a recording.
What works very well w/ the Dynacord DLS is, when you stop the Leslie,- the rotors stop in stereo image center position always which was not the case w/ the CLS222 and resulted in too much random coloration of the sound you never had w/ a real Leslie.
In fact I always liked the sound of Leslie w/ rotors stopped, just like a tube driven speaker cab,- then occasionally go directly to fast rotation and stop again.
We´ll see ...
Bud
Re: S|C B2003 Meets Leslie Studio 12
Look forwards to hearing some Bud chops !
About Jon's direct-to-Marshall mod (perfected to its peak on Machine Head) :
http://www.youtube.com/watch?feature=pl ... mW9b_KRedQ
About Jon's direct-to-Marshall mod (perfected to its peak on Machine Head) :
http://www.youtube.com/watch?feature=pl ... mW9b_KRedQ
- Bud Weiser
- Posts: 2935
- Joined: Tue Sep 14, 2010 5:29 am
- Location: nowhere land
Re: S|C B2003 Meets Leslie Studio 12
Well, John Lord about "Highway Star" ...dante wrote:Look forwards to hearing some Bud chops !
About Jon's direct-to-Marshall mod (perfected to its peak on Machine Head) :
http://www.youtube.com/watch?feature=pl ... mW9b_KRedQ
http://www.youtube.com/watch?v=D3U2V2F1sr8
And here´s a original where I don´t hear a Leslie at all,- some C/V ... IMO
http://www.youtube.com/watch?v=85Ukn76AnsY
and here´s another one w/ 2 Leslies in the ballpark ...
http://www.youtube.com/watch?v=aEIAXewOPSo
It seems, he experimented a lot and used what he found to be best for a given tour or in the studio.
There´s not "the" Hammond sound,- it´s all about the player and what he likes at a given time.
Bud
Re: S|C B2003 Meets Leslie Studio 12
No, it's all about what he uses at given time of 7:PM 1/mar/2013 at Rod Laver ArenaBud Weiser wrote:- it´s all about the player and what he likes at a given time. Bud
Is 'Journey' any good? They're the support. Well, they got some Santana players, so probably will cut the mustard.
- Bud Weiser
- Posts: 2935
- Joined: Tue Sep 14, 2010 5:29 am
- Location: nowhere land
Re: S|C B2003 Meets Leslie Studio 12
Ha, cool !dante wrote:No, it's all about what he uses at given time of 7:PM 1/mar/2013 at Rod Laver ArenaBud Weiser wrote:- it´s all about the player and what he likes at a given time. Bud. That's when me and wifey go.
Is 'Journey' any good? They're the support. Well, they got some Santana players, so probably will cut the mustard.
I´ve seen that lineup of DP 3 times now, but no idea about Journey.
DP w/ Don Airey and Steve Morse kills,- it´s a very tight band and worth visiting concerts.
I´ve seen ´em indoor and outdoor.
Airey´s rig was Hammond, Kurzweil K2661, Yamaha Motif (ES or SX ?) 88note and Minimoog Voyager.
Don uses different Hammonds depending on the continent they tour, in germany he had a C3 and in south america he has a A100.
Double Leslie rig like John used plus a guitar 4x12" cab and guitar amp head for the leads, lots of pedals and stomp boxes.
Add. rack w/ synths/romplers and FX.
I was backstage at one of these gigs and had a excellent place on the monitor mixer´s wing watching him play in detail which was very informative in regards of Hammond playing techniques.
On the organ he´s on par w/ John but he´s the better synth player IMO.
Have fun !
Bud
Re: S|C B2003 Meets Leslie Studio 12
I played with Morse in college doing Mahavishnu Covers.
He was Jazz Lab1 and we were Jazz Lab2. It was a great time in Miami then, the rehersal rooms were packed 24/7 so we had guys propping the doors open for us at Dade Community College late at night for extra jam time.
I wish I could get these bums in Vegas to reherse like we did then. You have to hire strippers and get a keg of beer to get these schmucks off their asses.
He was Jazz Lab1 and we were Jazz Lab2. It was a great time in Miami then, the rehersal rooms were packed 24/7 so we had guys propping the doors open for us at Dade Community College late at night for extra jam time.
I wish I could get these bums in Vegas to reherse like we did then. You have to hire strippers and get a keg of beer to get these schmucks off their asses.
- Bud Weiser
- Posts: 2935
- Joined: Tue Sep 14, 2010 5:29 am
- Location: nowhere land
Re: S|C B2003 Meets Leslie Studio 12
Cool man, I´m a big fan of Morse since the "Dixie Dregs" which I think that´s the band I became aware of him.dawman wrote:I played with Morse in college doing Mahavishnu Covers.
He was Jazz Lab1 and we were Jazz Lab2. It was a great time in Miami then, the rehersal rooms were packed 24/7 so we had guys propping the doors open for us at Dade Community College late at night for extra jam time.
I wish I could get these bums in Vegas to reherse like we did then. You have to hire strippers and get a keg of beer to get these schmucks off their asses.
Back to the Hammond,- I just watched a 1973 vid of DP w/ John Lord using the typical machine head sound live ...
http://www.youtube.com/watch?v=3AL73LYo64A
Go to 14:55 for his solo.
At the end of the solo he switches the Maestro ringmodulator to off and the last notes are very clean then.
I think the ringmod and the Marshall rig was the deal.
Bud
Last edited by Bud Weiser on Sat Feb 09, 2013 6:40 am, edited 1 time in total.
Re: S|C B2003 Meets Leslie Studio 12
Nice find. I am thinking all of his front end stuff we can do using Scope.
I loved the way these guys used whatever tool they found.
We could do a great Ring Mod in Modular, so I am going to build that today.
I am thinking a Modular patch using BC Modules so my BCF can do all of the switching/routing, Saw can cover the Marshall Head stuff pre Studio 12.
I wanna make sure when I demo it, I have the various tricks using the XBox available.
ANkyu
I loved the way these guys used whatever tool they found.
We could do a great Ring Mod in Modular, so I am going to build that today.
I am thinking a Modular patch using BC Modules so my BCF can do all of the switching/routing, Saw can cover the Marshall Head stuff pre Studio 12.
I wanna make sure when I demo it, I have the various tricks using the XBox available.
ANkyu
- Bud Weiser
- Posts: 2935
- Joined: Tue Sep 14, 2010 5:29 am
- Location: nowhere land
Re: S|C B2003 Meets Leslie Studio 12
Well, yes,- you beat me w/ your reply ...dawman wrote:Nice find. I am thinking all of his front end stuff we can do using Scope.
I loved the way these guys used whatever tool they found.
We could do a great Ring Mod in Modular, so I am going to build that today.
I am thinking a Modular patch using BC Modules so my BCF can do all of the switching/routing, Saw can cover the Marshall Head stuff pre Studio 12.
I wanna make sure when I demo it, I have the various tricks using the XBox available.
ANkyu
I was about asking what´s the best/dirtiest ringmod device in/for SCOPE and what´s the best Marshall amp/spkr emulation ?
Dynatube ?
Ringmod from Modular seems to be a good idea, then creating the "Marshall" stack sound in Scope alone w/ B2003 int. Leslie sim bypassed.
I think about a parallel mono-send from organ engine via DA converter to external Leslie (or Leslie sim the way I had in mind above) and feed that back into XITE-1 via AD for Aux-FX usage, then mix the signals or use alternately and controlled via MIDI controller toggle switch.
Bud
Re: S|C B2003 Meets Leslie Studio 12
When I saw them in 2001 Jon was on keys, when he left to do more orchestral stuff, he left his Hammond for Airey to play
Maybe gave him the Marshall as well. I will see if our seats are good enough or if wifey promises to pose as groupy 
- Bud Weiser
- Posts: 2935
- Joined: Tue Sep 14, 2010 5:29 am
- Location: nowhere land
Re: S|C B2003 Meets Leslie Studio 12
Yep,- but they don´t schlep all the gear to everywhere,- even I´ve seen him w/ the C3 from John.dante wrote:When I saw them in 2001 Jon was on keys, when he left to do more orchestral stuff, he left his Hammond for Airey to play
Anyway ...
Hughes&Kettner guitar amp rig ...dante wrote: Maybe gave him the Marshall as well.
And a ringmodulator,- Moogerfooger !
http://www.deeppurple.com/index.cfm/pk/ ... pid/400088
and here´s a demonstration of his 2010 rig incl. the Moogerfooger ringmod w/ his organ which now is a a chop and not John´s C3.
http://www.youtube.com/watch?v=YRFQnHY5EWg
The Hughes & Kettner stuff is still in the ballpark.
Bud
Re: S|C B2003 Meets Leslie Studio 12
G.O.S.T Harmonic Effects Bundle is the one stop shop to controlled Distortion.
I will use them in conjunction with a schematic of the Gibson Maestro RingMod and see what I come up with.
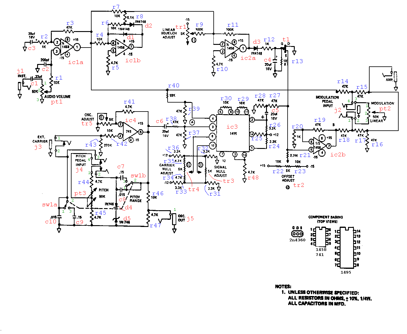
In case there are some scientists here who have time to mess around in Modular this is the schematic.
Notice how Dynomic has 8 x inserts on various frequencies. This is great for B2003 as I don't want that nasty
digital distortion boosting the highs over the top of all other frequencies. Most Distortion plugs are just too "global."
Using HEB from G.O.S.T. is the one stop Distortion shop, with incredible realtime filter FX as well.
I apologize for the big pics, but they are necessary in this case.
I will use them in conjunction with a schematic of the Gibson Maestro RingMod and see what I come up with.
In case there are some scientists here who have time to mess around in Modular this is the schematic.
Notice how Dynomic has 8 x inserts on various frequencies. This is great for B2003 as I don't want that nasty
digital distortion boosting the highs over the top of all other frequencies. Most Distortion plugs are just too "global."
Using HEB from G.O.S.T. is the one stop Distortion shop, with incredible realtime filter FX as well.
I apologize for the big pics, but they are necessary in this case.
Re: S|C B2003 Meets Leslie Studio 12
This is too easy. I guess I am actually learning more and more but don't realize it until I create another patch.
It never ceases to amaze me that old designs can be emulated, then bypassed with even more options unavailable to the original designers.
Instead of a single Sine Wave/Square Wave/ or Saw Wave we can use various Waldorf Wavetables, and then the CZ Resonance Oscillators offer excellent harmonic content.
But still the G.O.S.T. HEB is the Jewel. This is how to avoid that digital global distortion effect where the higher freqs usually bury the lowest. This is a much more controllable way of cutting and filtering high frequency content.
It never ceases to amaze me that old designs can be emulated, then bypassed with even more options unavailable to the original designers.
Instead of a single Sine Wave/Square Wave/ or Saw Wave we can use various Waldorf Wavetables, and then the CZ Resonance Oscillators offer excellent harmonic content.
But still the G.O.S.T. HEB is the Jewel. This is how to avoid that digital global distortion effect where the higher freqs usually bury the lowest. This is a much more controllable way of cutting and filtering high frequency content.
- Attachments
-
- MULTO OSC RING MOD.PNG (344.36 KiB) Viewed 5462 times
Re: S|C B2003 Meets Leslie Studio 12
neat patch!
Scope, Android, Web, PC Plugins and Sounds:
http://www.oceanswift.net
Music
https://faxinadu.bandcamp.com/
http://www.oceanswift.net
Music
https://faxinadu.bandcamp.com/
Re: S|C B2003 Meets Leslie Studio 12
Get my pm about the sample pack....?
I refuse to pay so small of a fee and wish to double it....
Maybe you aren't getting the pm's as the NWO guys were getting ready to bust me, but then decided to wait to check out my Israeli connections..?
I refuse to pay so small of a fee and wish to double it....
Maybe you aren't getting the pm's as the NWO guys were getting ready to bust me, but then decided to wait to check out my Israeli connections..?
Re: S|C B2003 Meets Leslie Studio 12
You could always just buy 2 copies 